Este site utiliza cookies. Ao continuar a navegar neste site, concorda com a sua utilização e a nossa política de privacidade.

Saber mais

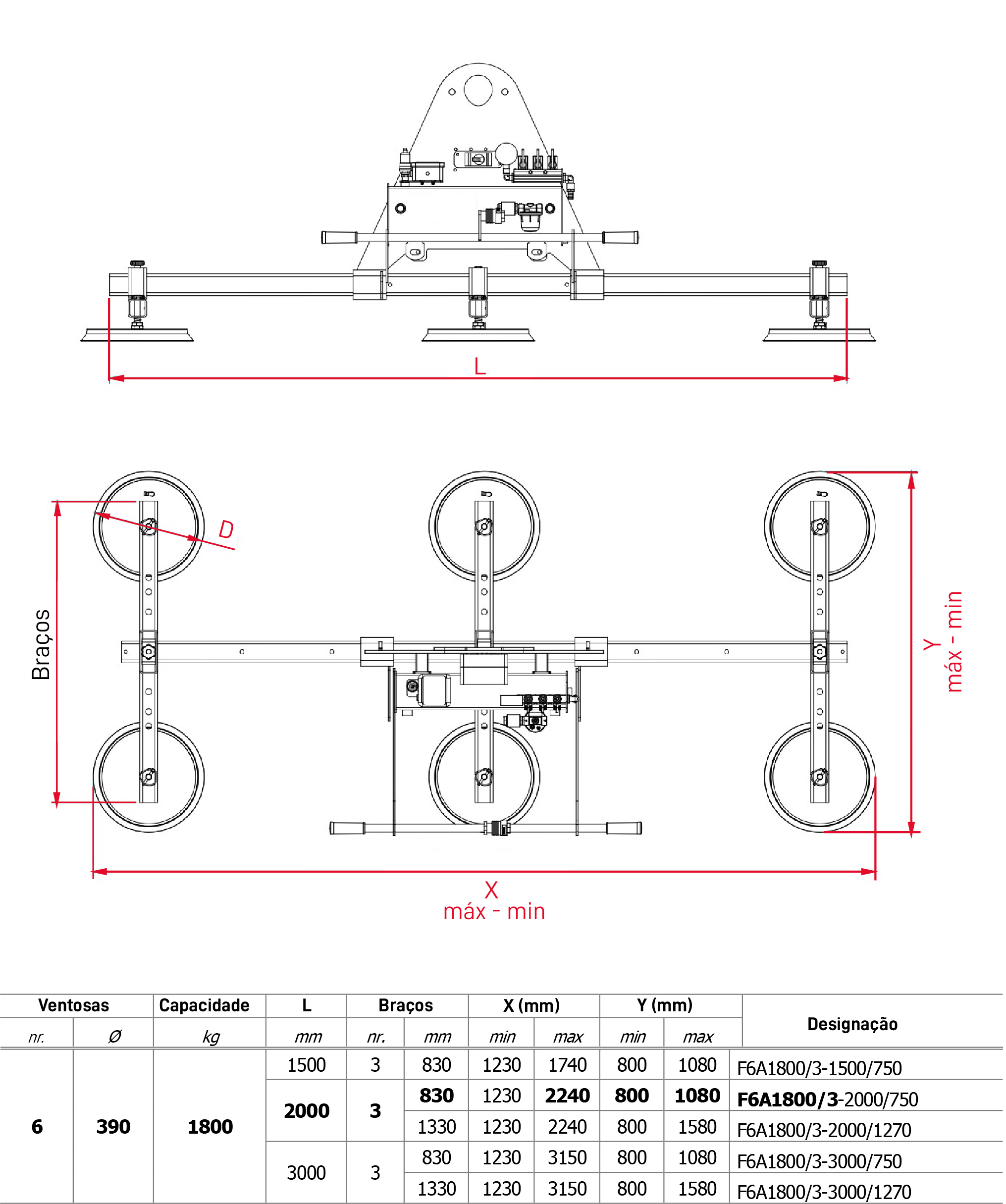
F6A 1800

Ventosa de Elevação - Pneumática

A ventosa a vácuo F6A, com ligação pneumática e foi concebida para garantir máxima eficiência, segurança e versatilidade no manuseamento de chapas metálicas.
Com uma trave central de 2000 mm e 6 ventosas distribuídas por 3 braços transversais, assegura uma capacidade máxima de elevação de 1800 kg, tornando-se a escolha ideal para operações de elevação exigentes e de grande precisão.


 

Chapas metálicas até 3000 x 1500 mm

Capacidade máxima de Carga
até 1800 Kg

6 Ventosas

Alimentação Pneumática

Movimento Horizontal

Comprimento da trave 1500 | 2000 | 3000 mm


 

Equipamento de série

  • Posição ajustável das ventosas
    As ventosas podem ser reposicionadas ao longo da viga para se adaptarem a diferentes formatos de chapas.

  • Sistema de alarme audiovisual
    Alerta o operador com sinais sonoros e luminosos em caso de perda de vácuo ou falhas no sistema.

  • Ventosas em borracha vulcanizada resistente a óleos, com suporte por mola
    Garantem aderência fiável mesmo em ambientes industriais exigentes, com ligeiras irregularidades nas superfícies.

  • Válvulas de fecho independente para os braços
    Permitem isolar individualmente cada braço com ventosas, adaptando a configuração à dimensão da carga.

  • Válvula de deslize para agarrar e libertar a carga
    Comando manual que permite iniciar ou interromper a sucção de forma simples e segura.


Opcionais
  • Reposicionamento livre das ventosas
    Permite ajustar facilmente a posição das ventosas ao longo da viga sem necessidade de ferramentas, adaptando-se a diferentes dimensões de chapa.

  • Suporte para comando do guincho
    Estrutura dedicada para fixar o painel de controlo do guincho, garantindo acessibilidade e organização.

  • Suporte de estacionamento
    Base para apoio da ventosa quando não está em utilização, facilitando o armazenamento e prevenindo danos.

  • Ventosas para superfícies irregulares
    Ventosas específicas concebidas para garantir uma boa aderência em chapas com relevo, ondulações ou outras irregularidades.

  • Guiador telescópico e/ou inclinável
    Permite ajustar o comprimento e a inclinação do guiador para melhorar a ergonomia e o conforto do operador durante a operação.